The store will not work correctly when cookies are disabled.
Wij gebruiken cookies om uw ervaring beter te maken.Om te voldoen aan de cookie wetgeving, vragen we uw toestemming om de cookies te plaatsen. Meer informatie.
De warmtewisselaar van het zwembad is gemaakt van duurzaam polyamide met een interne spiraal voor het verwarmen van water gemaakt van Titanium. Het is bedoeld voor zwembaden met zout water. Geschikt voor het verwarmen van water in zwembaden en hottubs. De warmtewisselaar kan worden aangesloten op het verwarmingscircuit van de ketel, warmtepomp en zonnecollectoren.
De regeleenheid met thermostaat zorgt voor de regeling van de zwembadwater temperatuur door middel van een temperatuursensor. Het apparaat bevat een digitaal display, een digitale temperatuurinstelling, een schakelaar en een lampje dat aangeeft of de warmtewisselaar momenteel in bedrijf is.
De Grundfos-pomp die de circulatie van verwarmingswater verzorgt, heeft een ingangsvermogen van 45 W.
Geschikt voor
zwembaden met zout water.
het verwarmen van binnen- en buitenzwembaden met zandfiltratie.
Het opwarmen van uw zwembad is met behulp van een warmtewisselaar een relatief snelle manier om het zwembadwater op temperatuur te krijgen.
Maar hoeveel kW heb ik nodig om mijn zwembad op te warmen?
Je hebt ongeveer 1 kW warmte nodig om 4 m³ water te verwarmen en warm te houden. De benodigde en minimaal vereiste verwarmingscapaciteit van een verwarming voor jouw zwembad bereken je dus door de maximale inhoud van je zwembad (m³) te delen door 4.
Zodiac Heat Line Titan - 40 kW met regeleenheid en pomp
De warmtewisselaar van het zwembad is gemaakt van duurzaam polyamide met een interne spiraal voor het verwarmen van water gemaakt van Titanium. Het is bedoeld voor zwembaden met zout water. Geschikt voor het verwarmen van water in zwembaden en hottubs. De warmtewisselaar kan worden aangesloten op het verwarmingscircuit van de ketel, warmtepomp en zonnecollectoren.
De regeleenheid met thermostaat zorgt voor de regeling van de zwembadwater temperatuur door middel van een temperatuursensor. Het apparaat bevat een digitaal display, een digitale temperatuurinstelling, een schakelaar en een lampje dat aangeeft of de warmtewisselaar momenteel in bedrijf is.
De Grundfos-pomp die de circulatie van verwarmingswater verzorgt, heeft een ingangsvermogen van 45 W.
Geschikt voor
zwembaden met zout water.
het verwarmen van binnen- en buitenzwembaden met zandfiltratie.
Zodiac® ontwikkelt de allerbeste technologie aan de hand van een steeds vernieuwende benadering.
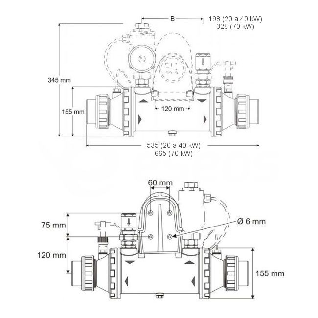
De Heat Line warmtewisselaar is gemakkelijk te installeren en heeft verschillende configuratiemogelijkheden om zich aan alle soorten installaties aan te passen. Hij is verkrijgbaar als kaal model, zonder circulatiepomp, zodat u hem beter aan uw zwembaduitrusting kunt aanpassen en volledig aan uw installatie kunt aanpassen. Hij wordt geïnstalleerd in de technische ruimte, naast de boiler en aan de uitgang van de filterinstallatie, zonder bypass. Zijn hoogwaardige fabricage zorgt voor maximale robuustheid (titanium buizen, Noryl-polyamide behuizing).
De levering van de Zodiac Heat Line Titan - 40 kW met regeleenheid en pomp is inclusief:
Heat Line titan 40kW.
2 stuks PVC fitting 60/50 mm
Terugslagklep verwarmingswater
Wel voor de temperatuursensor van de thermostaat
Stroomventiel voor zwembadwater
Besturings- en regeleenheid
Circulatiepomp
Technische gegevens van de Zodiac Heat Line Titan - 40 kW met regeleenheid en pomp:
Warmteafgifte: 40 kW bij een temperatuurgradiënt van 90/70 °C
Aansluiting van het zwembadcircuit: schroefaansluiting 50/63 mm